burning124
New Member
Bài toán
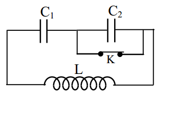
Cho mạch dao động như hình vẽ; $C_1$ và $C_2$ là các điện dung của hai tụ điện, $L$ là độ tự cảm của một cuộn cảm thuần. Biết $C_1=4 \mu F, C_2=8 \mu F, L=0,4 mH$. Điện trở khóa K và các dây nối không đáng kể. Ban đầu khóa K đóng, trong mạch có dao động điện từ với điện tích cực đại trên tụ $C_1$ là $q_0=1,2.10^{-5} C$. Tại thời điểm điện áp giữa hai bản tụ $C_1$ đạt cực đại người ta mở khóa K. Xác định độ lớn cường độ lớn cường độ dòng điện trong mạch tại thời điểm điện áp giữa hai bản tụ $C_1$ bằng không.
A. $\sqrt{2} A$
B. $0,15 \sqrt{3} A$
C. $0,15 \sqrt{2} A$
D. $0,3 \sqrt{2} A$
