nguyenthiepww
New Member
Bài toán
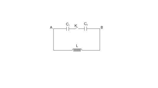
Cho mach LC lí tưởng $C_{1}=3nF , C_{2}=6nF$ cuôn dây thuần cảm $L= 0.5 mH$. Bỏ qua điện trở của dây nối và khóa K. Ban đầu K ngắt, tụ $C_{1}$ được tích đến điên áp $10V$, còn $C_{2}$ chưa tích điện. Sau đó đóng K, tìm cường độ dòng điện cực đại trong mạch
A. $0.04 A$
B. $0.08 A$
C. $0.05 A$
D. $0.02 A$
Cho mach LC lí tưởng $C_{1}=3nF , C_{2}=6nF$ cuôn dây thuần cảm $L= 0.5 mH$. Bỏ qua điện trở của dây nối và khóa K. Ban đầu K ngắt, tụ $C_{1}$ được tích đến điên áp $10V$, còn $C_{2}$ chưa tích điện. Sau đó đóng K, tìm cường độ dòng điện cực đại trong mạch
A. $0.04 A$
B. $0.08 A$
C. $0.05 A$
D. $0.02 A$
