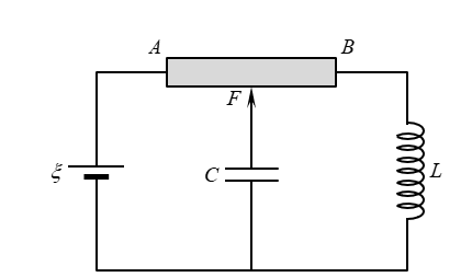
Câu hỏi: Cho mạch điện như hình vẽ: nguồn điện có suất điện động $\xi=12 \mathrm{~V} ; A B$ là biến trở con chạy có chiều dài $l$ và điện trở tổng cộng $R_{A B}=8 \Omega$ ; tụ điện có điện dung $C=\dfrac{1}{\pi} m F$ ; cuộn cảm thuần có độ tự cảm $L=\dfrac{9}{10 \pi} m H$. Di chuyển con chạy $F$ đến vị trí sao cho $A F=\dfrac{3 L}{4}$. Cố định con chạy $C$ và tháo nguồn ra khỏi mạch.

Để duy trì dao động điện từ trong mạch $L C$, ta cần cung cấp cho mạch một công suất trung bình bằng
A. $15,75 W$.
B. $72,25 W$.
C. $12,25 W$.
D. $10,25 W$.

Để duy trì dao động điện từ trong mạch $L C$, ta cần cung cấp cho mạch một công suất trung bình bằng
A. $15,75 W$.
B. $72,25 W$.
C. $12,25 W$.
D. $10,25 W$.
Cường độ dòng điện trong mạch
$
I=\dfrac{\xi}{R_{A B}}=\dfrac{(12)}{(8)}=1,5 \mathrm{~A}
$
Khi
$
A F=\dfrac{3 L}{4} \Rightarrow R_{F B}=2 \Omega
$
Hiệu điện thế giữa hai đầu tụ điện
$
U_C=I R_{F B}=(1,5) \cdot(2)=3 \mathrm{~V}
$
Năng lượng banđầu của mạch dao động sau khi lấy nguồn ra bên ngoài
$
\begin{gathered}
\dfrac{1}{2} L I_0^2=\dfrac{1}{2} L I^2+\dfrac{1}{2} C U^2 \\
\Rightarrow I_0=\sqrt{I^2+\dfrac{C}{L} U^2}
\end{gathered}
$
Để duy trì dao động của mạch thì công suất trung bình cần cung cấp cho mạch là
$
\begin{gathered}
P=I^2 R_{F B} \\
P=\dfrac{1}{2}\left(I^2+\dfrac{C}{L} U^2\right) R_{F B} \\
P=\dfrac{1}{2}\left[(1,5)^2+\dfrac{\left(\dfrac{1}{\pi} \cdot 10^{-3}\right)}{\left(\dfrac{9}{10 \pi} \cdot 10^{-3}\right)}(3)^2\right](2)=12,25 \mathrm{~W}
\end{gathered}
$
$
I=\dfrac{\xi}{R_{A B}}=\dfrac{(12)}{(8)}=1,5 \mathrm{~A}
$
Khi
$
A F=\dfrac{3 L}{4} \Rightarrow R_{F B}=2 \Omega
$
Hiệu điện thế giữa hai đầu tụ điện
$
U_C=I R_{F B}=(1,5) \cdot(2)=3 \mathrm{~V}
$
Năng lượng banđầu của mạch dao động sau khi lấy nguồn ra bên ngoài
$
\begin{gathered}
\dfrac{1}{2} L I_0^2=\dfrac{1}{2} L I^2+\dfrac{1}{2} C U^2 \\
\Rightarrow I_0=\sqrt{I^2+\dfrac{C}{L} U^2}
\end{gathered}
$
Để duy trì dao động của mạch thì công suất trung bình cần cung cấp cho mạch là
$
\begin{gathered}
P=I^2 R_{F B} \\
P=\dfrac{1}{2}\left(I^2+\dfrac{C}{L} U^2\right) R_{F B} \\
P=\dfrac{1}{2}\left[(1,5)^2+\dfrac{\left(\dfrac{1}{\pi} \cdot 10^{-3}\right)}{\left(\dfrac{9}{10 \pi} \cdot 10^{-3}\right)}(3)^2\right](2)=12,25 \mathrm{~W}
\end{gathered}
$
Đáp án C.