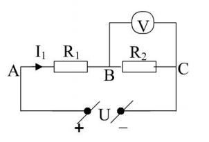
Lời giảiCường độ dòng điện qua $R_{1}$: $I_{1}=\dfrac{U_{1}}{R_{1}}=\dfrac{60}{2000}=0,03\left(A\right)$
Cường độ dòng điện qua $R_{2}$: $I_{2}=\dfrac{U-U_{AB}}{R_{2}}=\dfrac{180-60}{3000}=0,04\left(A\right)$

Lại có từ hình bên dưới: $I_{2}=I_{v}+I_{1}\Rightarrow I_{v}=0,04-0,03=0,01\left(A\right)$

Vậy: $R_{v}=\dfrac{U_{1}}{I_{v}}=\dfrac{60}{0,01}=6000\Omega $
Ta có: $U_{BC}=I.R_{BC}=\dfrac{U.R_{BC}}{R_{1}+R_{BC}}=\dfrac{U.R_{v}.R_{2}}{\left(R_{v}+R_{2}\right).\left(R_{1}+\dfrac{R_{v}R_{2}}{R_{v}+R_{2}}\right)}$
Thay số vào ta được: $U_{AC}=U_{V}=90\left(V\right)$