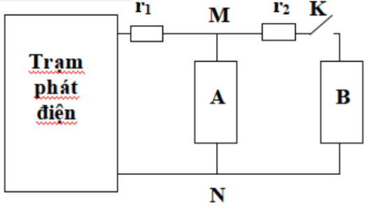
Câu hỏi: Hai dãy Phòng học nhà A (gồm khối 10 và khối 12) và nhà B (khối 11) của trường THPT Quảng Xương 1 cùng được cấp điện từ một trạm phát điện với sơ đồ cấp điện như hình vẽ. Trong đó ${{r}_{1}}$ là điện trở tương đương của dây dẫn từ trạm tới dãy nhà A, ${{r}_{2}}$ là điện trở tương đương của dây dẫn từ dãy nhà A tới dãy nhà B; điện áp tại trạm có giá trị hiệu dụng ổn định bằng 220 V. Coi hệ số công suất của nhà A và nhà B đều bằng 1 và công suất tiêu thụ của mỗi dãy bằng 40 kW nếu điện áp hiệu dụng hai đầu mối dãy bằng điện áp nơi trạm phát. Trong thực tế khi chỉ có dãy nhà A dùng điện (K mở) thì thấy công suất tiêu thụ của cụm này chỉ là 35 kW còn khi cả hai dãy nhà A, B cùng dùng điện (cầu dao K đóng) thì công suất tiêu thụ ở dãy nhà B chỉ là 28 kW. Điện áp hiệu dụng hai đầu dãy nhà A khi K đóng có giá trị gần đúng bằng

A. 211,2 V
B. 172,5 V
C. 193,9 V
D. 150,0 V

A. 211,2 V
B. 172,5 V
C. 193,9 V
D. 150,0 V
Vì hệ số công suất mỗi dãy nhà đều bằng 1 nên coi mạch điện ở các dãy nhà đó chỉ là điện trở thuần nên
${R_A} = {R_B} = \dfrac{{{{220}^2}}}{{{{40.10}^3}}} = 1,21\Omega \Omega $
Khi chỉ có dãy nhà A hoạt động thì dòng điện trong mạch là $\mathrm{I}_{1}=\sqrt{\dfrac{\mathcal{P}_{A}}{R_{A}}}=\sqrt{\dfrac{35000}{1,21}}=170,075$ A
Công suất nơi phát là 𝓟 = U I1 = 220.170,075 = 37416,5 W
Công suất hao phí trên đường dây từ trạm phát đến dãy nhà A là 𝓟hp = 𝓟 – 𝓟A = 2416,5 W
Điện trở tương đương của dây từ trạm đến dãy nhà A là $\mathrm{r}_{1}=\dfrac{\mathcal{P}_{h p}}{I_{1}^{2}}=0,0835$ A
Khi K đóng, dòng điện qua dãy nhà B là $\mathrm{I}_{2}=\sqrt{\dfrac{\mathcal{P}_{B}}{R_{B}}}=\sqrt{\dfrac{28000}{1,21}}=152,12$ A
$\mathrm{R}_{\mathrm{MBN}}=\mathrm{R}_{\mathrm{A}}+\mathrm{r}_{\mathrm{A}}=1,21+\mathrm{r}_{2}$
$\mathrm{R}_{\mathrm{MN}}=\dfrac{R_{M N B} \cdot R_{A}}{R_{M R N}+R_{A}}=\dfrac{\left(1,21+r_{2}\right) \cdot 1,21}{2,42+r_{2}}$
Điện trở của cả mạch truyền tải là $\mathrm{R}=\mathrm{R}_{\mathrm{MN}}+\mathrm{r}_{1}=\dfrac{\left(1,21+r_{2}\right) \cdot 1,21}{2,42+r_{2}}+0,0835$
Cường độ dòng điện trong mạch chính $\mathrm{I}=\dfrac{U}{R}=\dfrac{220\left(2,42+r_{2}\right)}{1,21\left(1,21+r_{2}\right)+0,0835\left(2,42+r_{2}\right)}$
Mà $\mathrm{U}_{\mathrm{MN}}=\mathrm{I}_{2} \cdot \mathrm{R}_{\mathrm{MBN}}=152,12\left(1,21+\mathrm{r}_{2}\right) ; \mathrm{I}_{\mathrm{A}}=\mathrm{I}_{\mathrm{MN}}=\dfrac{U_{M N}}{R_{A}}=\dfrac{152,12\left(2,42+r_{2}\right)}{1,21\left(1,21+r_{2}\right)}$
$\Rightarrow \mathrm{r}_{2}=0,0647 \Omega\Rightarrow \mathrm{U}_{\mathrm{MN}}=193,9 \mathrm{~V}$
${R_A} = {R_B} = \dfrac{{{{220}^2}}}{{{{40.10}^3}}} = 1,21\Omega \Omega $
Khi chỉ có dãy nhà A hoạt động thì dòng điện trong mạch là $\mathrm{I}_{1}=\sqrt{\dfrac{\mathcal{P}_{A}}{R_{A}}}=\sqrt{\dfrac{35000}{1,21}}=170,075$ A
Công suất nơi phát là 𝓟 = U I1 = 220.170,075 = 37416,5 W
Công suất hao phí trên đường dây từ trạm phát đến dãy nhà A là 𝓟hp = 𝓟 – 𝓟A = 2416,5 W
Điện trở tương đương của dây từ trạm đến dãy nhà A là $\mathrm{r}_{1}=\dfrac{\mathcal{P}_{h p}}{I_{1}^{2}}=0,0835$ A
Khi K đóng, dòng điện qua dãy nhà B là $\mathrm{I}_{2}=\sqrt{\dfrac{\mathcal{P}_{B}}{R_{B}}}=\sqrt{\dfrac{28000}{1,21}}=152,12$ A
$\mathrm{R}_{\mathrm{MBN}}=\mathrm{R}_{\mathrm{A}}+\mathrm{r}_{\mathrm{A}}=1,21+\mathrm{r}_{2}$
$\mathrm{R}_{\mathrm{MN}}=\dfrac{R_{M N B} \cdot R_{A}}{R_{M R N}+R_{A}}=\dfrac{\left(1,21+r_{2}\right) \cdot 1,21}{2,42+r_{2}}$
Điện trở của cả mạch truyền tải là $\mathrm{R}=\mathrm{R}_{\mathrm{MN}}+\mathrm{r}_{1}=\dfrac{\left(1,21+r_{2}\right) \cdot 1,21}{2,42+r_{2}}+0,0835$
Cường độ dòng điện trong mạch chính $\mathrm{I}=\dfrac{U}{R}=\dfrac{220\left(2,42+r_{2}\right)}{1,21\left(1,21+r_{2}\right)+0,0835\left(2,42+r_{2}\right)}$
Mà $\mathrm{U}_{\mathrm{MN}}=\mathrm{I}_{2} \cdot \mathrm{R}_{\mathrm{MBN}}=152,12\left(1,21+\mathrm{r}_{2}\right) ; \mathrm{I}_{\mathrm{A}}=\mathrm{I}_{\mathrm{MN}}=\dfrac{U_{M N}}{R_{A}}=\dfrac{152,12\left(2,42+r_{2}\right)}{1,21\left(1,21+r_{2}\right)}$
$\Rightarrow \mathrm{r}_{2}=0,0647 \Omega\Rightarrow \mathrm{U}_{\mathrm{MN}}=193,9 \mathrm{~V}$
Đáp án C.